Multimeters (DMM) and their chips, with computer communication
There are many brands and types of multimeters
. There are considerably fewer types
of chips the meters are built around. Some meters, usually the more expensive ones, have built-in serial
communication, usually optically separated UART. The UART can be converted to RS232, or, in more modern
systems, to USB by several possible means - some meters use USB-serial converters and appear like a serial port,
others use USB-HID chips. Yet others use bluetooth-serial interface modules.
Control chips
The multimeters are based on three kinds of control chips:
- Dedicated multimeter ICs, where most of the higher-end meters fall. These chips are all-in-one solution,
often come from well known vendors (Cyrustek, etc.), and are often well documented. If the meters do not support some features the chips do, they can be often hacked and improved.
- General-purpose microcontrollers, either with built-in ADCs (Samsung microcontrollers with custom firmware
used in some Metex devices) or acting in concert with a multimeter-specific data acquisition chip (e.g. ES51966). Getting data from these can be fairly nontrivial, though theoretically there is always the chance of breaking into the chip and replacing its firmware. There are however usually easier ways, including designing a new data acquisition solution from scratch. Or, in case of e.g. the ES51966, the data between the controller and the ADC can be sniffed.
- 7106 and its clones, the dumbest of the dumb, the hallmark of the low-end few-dollars-or-best-offer class.
There is nothing inside but an ADC directly connected to a display driver.
Serial output types
The RS232 meters usually use an optocoupler, or a discrete LED-phototransistor pair, for communication. The interface
has two layers - the low-voltage UART
, and the low or higher level protocol interface to the host computer.
- The UART is a low-level asynchronous serial output, usually low-voltage, referenced to the ground (could be the
positive side, in rare cases) of the meter's battery. Usually a discrete LED or a LED side of the optocoupler is connected to the chip's output. The phototransistor, discrete or the other half of the optocoupler, is connected to the level or protocol converter. The host computer interface is usually attached to a connector, and hidden in the attachment cable. The UART protocol should be described in the chip's datasheet.
- The serial UART output itself can be available as electrical connector (with optocoupler inside the meter) or as an
optical interface, with the optocoupler being partially inside the meter (the LED) and partially in the attachment cable (the phototransistor).
- Often the UART output is exposed on the multimeter on a connector, as an open-collector interface.
- Some rare chips have a non-UART serial interface, e.g. synchronous. A direct connection to UART converter is not
possible here. A microcontroller can be attached to provide the needed clock or other signals and convert the output to UART.
- The RS232 interface is a dumb voltage/level converter, usually powered from the host computer's
RS232 DTR/RTS signals, like e.g. computer mice used to be.
- The USB output meters usually have a discrete chip for the communication mediation, connected to (usually
optocoupler-isolated) serial data from the chip. The serial data stream is usually accessible in hardware. The USB interface can present itself to the host computer as a serial port, or as a HID
device.
- The Bluetooth interface is the same old UART like in both other cases, but now fed into a wireless module.
The hackable meters are built around a chip that offers serial output, but the pin is not connected and function
not enabled. It is possible to attach an optocoupler (maybe directly, most often transistor-driven).
The serial output is rarely always-on, usually has to be enabled by momentary pulse or permanent connection (to ground, V-,
or other power rail, see datasheet) on another pin.
As the base interface with the meter is usually a standard UART, even meters that come with a wrong type of interface
can be usually converted to something else. Just find where the serial signal is (usually at the connector, or at an
optocoupler), and attach the right one. (E.g. replace a dumb nonconfigurable USB-serial chip with a smarter one with
an EEPROM that can be reprogrammed to report itself as the multimeter, or a HID one can be replaced with a serial one,
to avoid the need for a driver. Or a RS485 transceiver can be added for a long-haul wired data transfer. Or a UART-wifi
chip can be added for wireless logging. Or a Bluetooth serial interface, for connection to a smartphone; potentially
even the internal multimeter's battery could be used here, as the wireless interface provides the isolation.)
Thoughts on 7106
The cheapest of cheapest meters use a simple ADC integrated with a LCD driver, usually a 7106 or similar chip.
These are virtually nonhackable, spare connecting directly to the LCD output pins. There are typically 23 connections
to the display, which makes this solution rather intensive in regards to the pins needed, and the AC-driving nature
of the LCD (signal to segments either in-phase (off) or out-of-phase (on) with the backplane - sustained DC bias
would damage the liquid crystals) adds to the unpleasantness.
For 48kHz clock (3 readings per second) the LCD drive frequency is typically 60 Hz (clock divided by 800).
A direct-segment readout can be done either with a microcontroller that has enough spare pins, a lightweight FPGA that
does the connection and decoding, a parallel-to-serial shift register to which the display data are latched and then
clocked out serially, or a multiplexer for reading the segments one by one (together with the backplane signal, or even
XORing it in hardware to get the direct on/off state of the segment).
When not sampling all the lines at once, it is important to take care of the changes in the backplane level. As the
frequency is fairly low, the microcontroller can either watch for a change and then do all the sampling,
or check before and after and if there is a mismatch the backplane flipped polarity during data acquisition
and the data have to be discarded.
Or the chip can be entirely bypassed, and a separate ADC (e.g. a microcontroller input) connected to the 7106's analog input.
The readings then can vary a little between the ADC and the 7106's display but the circuitry is way simpler.
Yet another approach is optical, using a camera and an image analysis software (eg. OpenCV
can be helpful here).
Identification of Epoxy Blob Chips
The cheapo ones also tend to use the Unidentifiable Epoxy Blob chip packaging. This is particularly annoying.
Sometimes the chip can be identified indirectly, as the blob sits on the board in a rectangle of solder pads where
a more sanely packaged chip can be alternatively soldered on.
If the rectangle-o'-pads is available, counting the chip pins is easy. Start there and pick only the datasheets that
match pin count.
The easiest pads are the ones to crystal or resonator. The xtal is nearby and easy to identify. If it is present, start there.
Other easiest pads/tracks to trace are those to the display pads. Identify these, compare their number and layout
(and display multiplexing scheme) to the datasheets of the candidate chips. Repeat with power pins and
any other signals you can trace, until you have no more datasheet left and the chip remains unidentified.
(In rare cases you get a positive identification.)
If there are not too many pins, start with the crappy 7106 chip (40-pin), as it and its clones are the most common in these scenarios.
Safety devices
An important part of a meter, or a data acquisition unit in general, is the capability to withstand the unexpected.
Dave Jones of EEVblog
does an excellent job describing these.
Some known-bad meters are listed here
.
In short, the important parts are:
- Fuses, where larger ceramic ones filled with sand are preferred for the arc quenching capabilities; the little
glass ones can be subject to turning the filament into arc and not interrupting soon enough. A common failure is using fuses with too low voltage rating.
- Varistors, which protect against voltage overload, and have to be robust enough to absorb the transients
- Insulation and wiring, which are the design features of the board (wiring layout, insulation and layout of loose
wires (battery, panel LEDs...) that could come in too close contact with high voltage areas.
Schematics
Various schematics culled from The Internets.
List of chips and the meters using them
With serial output (native RS232, USB, or hackable)
19C6RVT/M430F448
(custom microcontroller)
BTC AD-85-4
- Brymen BM857
- Brymen BM859s
- Brymen BM867
- Brymen BM869 (USB)
- Brymen BM869s
- Sanwa PC5000a
- maybe Amprobe AM-160-A, Extech MM570A, Greenlee DM-860A ?
CS7721CN
see FS9721-LP3
DTM0660L (DreamTech)
brochure, datasheet, from http://www.kerrywong.com/2016/03/19/hacking-dtm0660l-based-multimeters/
LQFP-64, serial out, TX on pin 20, xtal on 15/16, SPI on pins 18(SCK)/19(SDO)/22(SDI),23(SCE)
16x16 square pins, can be an epoxy blob
needs EEPROM bit switch to enable UART output: arduino flashing sketch
clone of Hycon HY12P65
?)
- Bside ZT301
- Bside ZT302
- ennoLogic eM860T (true RMS) [src: review]
- Fluke 175 (?)
- General Tools Toolsmart Bluetooth (BT via BDE-BLEM201P) [src: teardown]
- Holdpeak HP-890CN
- Peakmeter PM890D (?)
- Tekpower TP40
- UNI-T UT139C
- Uni-T UT210E clamp meter (TrueRMS), older units (newer use DM1106EN) [src]
- Velleman DV4100
- Victor VC921 (True RMS)
- Zotek 17B+
- Zotek ZT101
- Aneng AN8001
- Richmeters RM101
- Zotek ZT102 (trueRMS w/ AD536) [src]
- Aneng AN8002 (rebranded ZT102)
- Richmeters RM102
- ==== Hycon 12P65 ====
- Brymen BM233
- Brymen BM235
- Mustool MT109 [src]
DM1106EN
(maybe cloned/rebranded HyconTek HY12P66?)
EF9922-DMM4
ES51862
ES51922
datasheet
QFP-128, serial-out, SDO at pin 123, RS232enable at pin 111
ES51932
- Owon B41T+ (BT via CC2541)
- Victor 86E
ES51960
ES51962
datasheet
(serial-out, SDO at pin 94, RS232enable at pin 45)
ES51966F
datasheet
QFP-64, separate ADC, needs additional microcontroller for display driving and output, talks via STATUS/SCLK pins,
protocol described in the datasheet
- UT71C (maybe ES51966P?)
- UT71E (USB) (uses MSP430F149 as microcontroller)
- Tenma 72-9380A (rebranded UT71E)
- Voltcraft VC-940 (RS232/USB) (rebranded UT71E)
ES51966P
datasheet
QFP-64, analog front-end, needs additional microcontroller for display driving and output, talks via STATUS/SCLK pins,
protocol described in the datasheet
- UT71A
- Voltcraft VC-920 (RS232/USB) (rebranded UT71A)
- UT71C [src]
- UT71D, with HT1621 as CPU [src: EEVblog]
ES51968
ES51978
datasheet
QFP-100, serial-out, SDO at pin 94, RS232enable at pin 45
- ISO-TECH IDM98II [src: hack]
- ISO-TECH IDM103N (RS232)
ES51986A
- UT60G
- Tenma 72-7750 (rebranded UT60G)
- APPA Tech 71 (hackable)
- APPA Tech 73
ES51997
analog front-end
- Uni-T UT181A (with STM32F103ZET6)
FS9711A
QFP-100, TxD on pin 64, TXen on 84
- MS8202A (hackable)
- Vichy VC97 (hackable)
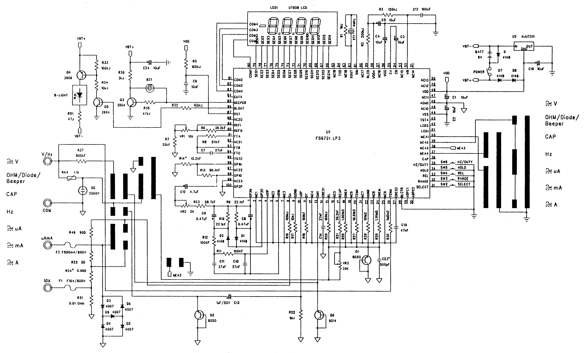
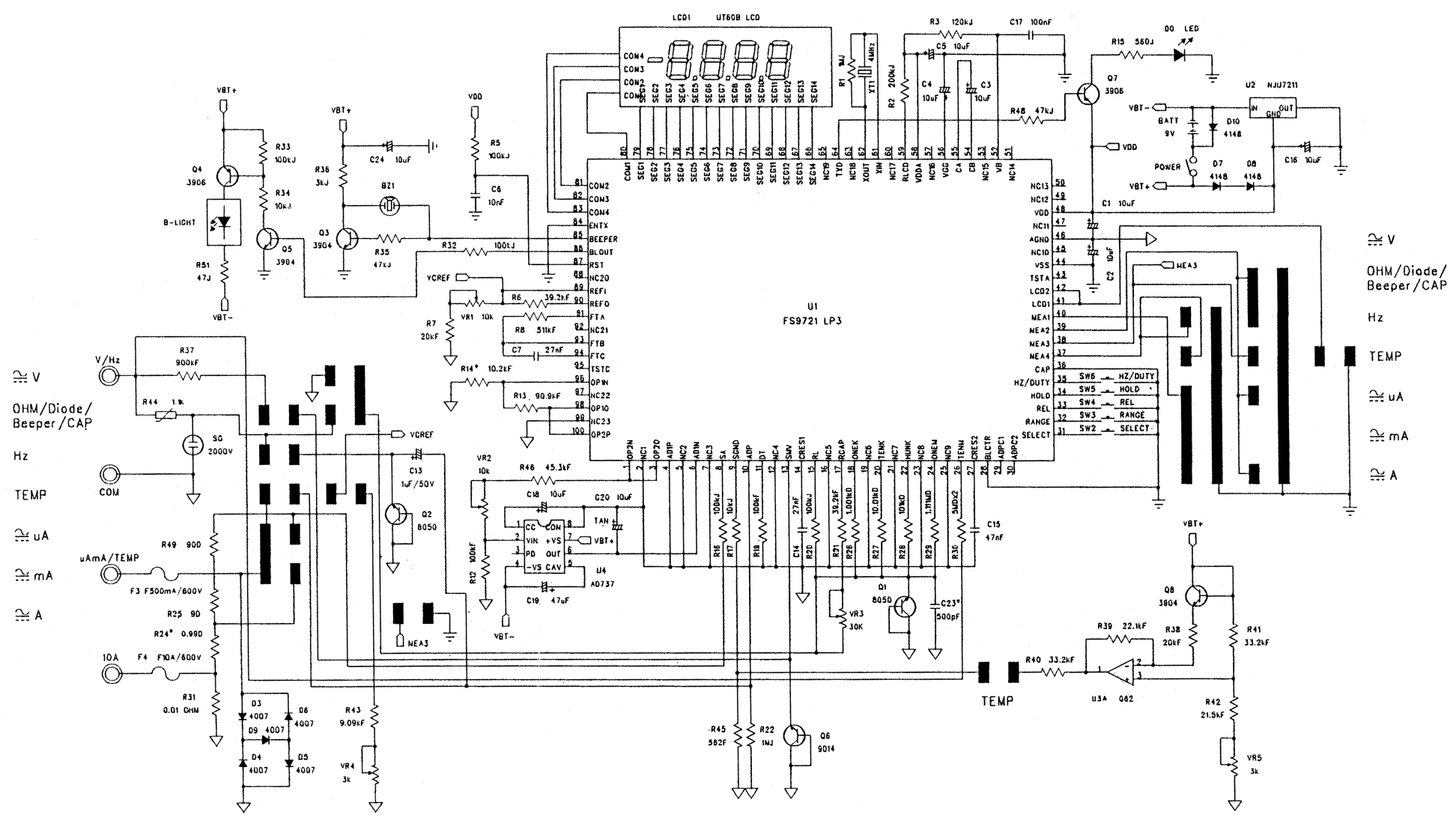
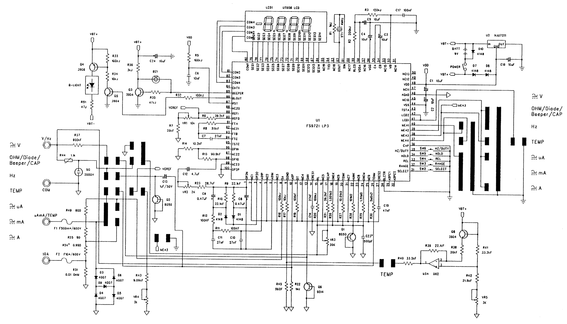
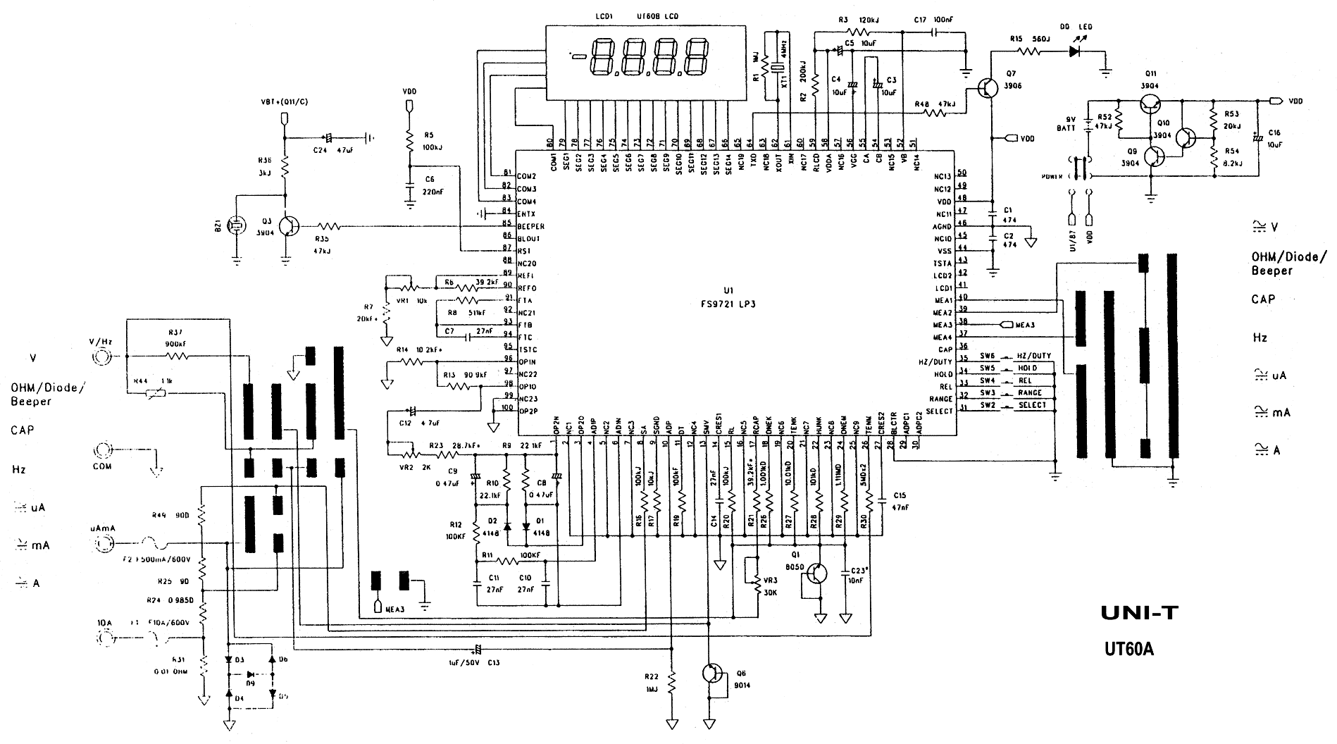
FS9721-LP3 (Fortune Semiconductor)
datasheet
QFP-100, serial-out, Tx on pin 64, TXen on 84, 2400bit
- DT4000ZC (RS232)
- TP4000ZC (as epoxy blob on board) (RS232)
- Fluke 17B (maybe not 17B+?), maybe Fluke 15B, 15B+, 17B, 17B+, 18B, 18B+? (rumour)
- Mastech MS8229 [src: hack]
- Mastech MS8250B
- Mastech MS8268 (?)
- PCE-DM32 (RS232)
- Tenma 72-7745 (see UT60E) (hackable)
- UT60A (schematics) (RS232)
- UT60B (schematics) (hackable)
- UT60C (schematics) (hackable)
- Tenma 72-7740 (as CS7721CN) [ref]
- UT60E (schematics) (RS232, USB)
- UT90C [src]
- Vichy VC97 (hackable)
- Victor VC86B
- Voltcraft MT-52, MT52 (hackable)
- Voltcraft VC-820, VC820 (RS232, USB)
- Voltcraft VC-840, VC840 (RS232, USB)
- Tecpel DMM-8061, DMM8061 (RS232, USB) (rebadged VC-840?)
- Sanwa CD772 [src: hack]
- ==== pin-compatible: Semico CS7721, CS7721CN ====
- Tenma 72-7440 (rebadged UT60C) (RS232) [src: review]
- QM1571
- ==== pin-compatible: GC7721AQ-P3 ====
FS98o24
OTP microcontroller, unspecified functionality
FS9922-DMM3
QFP-100, datasheet
Tx on pin 92, TX-enable on pin 94
(beeper output has delay?)
FS9922-DMM4
QFP-100, datasheet v11, FS9922-DMM4-DS-14_EN.pdf
TX on pin 92, TX-enable on pin 94
(beeper output has delay?)
- DigiTek DT-9602R+ (?)
- EM6000
- Krisbow KW06-796
- Precision Gold N56FU (?)
- Mastech MS8340A [src]
- Mastech MS2109A [src]
- Mercury MTTR01 [src]
- Owon B35T (with CC2541 Bluetooth) [src]
- Owon B35T+
- Pro's Kit MT-1820, MT1820 (?) (USB)
- meter in Siglent SHS-1062 isolated scopemeter [src]
- UT61C (RS232, USB)
- UT61D (RS232, USB)
- Vichy VC99 (hackable) [src: hack]
- Victor 70C (USB)
- EZA EZ-735, EZ735 (=Victor 70C)
- Voltcraft VC-830, VC830 (RS232, USB)
- Voltcraft VC-850, VC850 (RS232, USB)
(note: VC99 has slow readout speed. Modification as described here
:
replacing three SMD ceramic capacitors with film 0.01uF / 100 V. By designation on the board (you need to remove the display - 4 self-tapping screw) - C16 (between 5 and 6 pins FS9922),
C17 (between 7 and 8 pins FS9922) and C7 (between 17 pins FS9922 and ground). Capacitor C7 affects the measurement of resistances.)
GC7721AQ-P3
see FS9721-LP3
HCPD608 (Hung Change)
Tx/Rx, 9600 baud, 7n1
- Protek 608
- Voltcraft VC608
HY3131 (Hycon)
datasheet
DMM analog front-end, no display, SPI interface
- 121GW multimeter (kickstarter) [src: EEVblog]
- Arduino DMM Shield
- CEM DT-9989
- HoldPeak HP-770D [src]
- HOLDPEAK HP-770K
- Keysight U1282A (uses D78F0485 as display controller) [src]
- Uni-T UT171A (?)
Mastech M343-01
- Mastech MAS345 (RS232) [src]
Metex 89CR
Metex meters tend to use the same protocol: http://sigrok.org/wiki/Multimeter_ICs#Metex_14-byte_ASCII
- Metex M-4650CR (RS232)
- Voltcraft M-4650CR (RS232) [src]
Metex KS57C2016
(Samsung KS57C2016 4-bit microcontroller with custom Metex firmware)
- RadioShack 22-168 (RS232)
- Metex M-3640D
- PeakTech 4370 (rebranded Metex M-3640D) (RS232)
SH7108
datasheet
serial output, non-RS232, needs external clock signal on CLK (36), output from pin 37, EOC (pin 39) goes to H at end of conversion when fresh data in buffer;
16 bits of data in buffer, with digits in BCD code, two bits for decimal point, one for polarity, no indication of modes nor anything else
TC8129
datasheet
Teledyne/Microchip TC8129; PQFP44; 4.5digit; needs additional microcontroller, or TC8131 LCD controller, for display driving and output, talks via SCLK/LD/RD/DATA/DV pins;
synchronous serial protocol with 41 bits per packet described in the datasheet; 32.768 kHz crystal for 20 measurements/second; good buzzer
- Tektronix DMM830; with TC8131
- Tektronix DMM850; with TC8131
- Tektronix DMM870; with TC8131
- Tektronix DMM912; with NEC D78063 microcontroller [src]
- Tektronix DMM914; with NEC D78063 microcontroller
- Tektronix DMM916; with NEC D78063 microcontroller [src: EEVblog teardown]
UM7108
see SH7108
UP01+FS970X
likely some custom-programmed microcontroller
WENS98A
protocol
- Voltcraft GDM704 (serial is handled by a 80C32 microcontroller) [ref] [ref]
Unknown serial-out presence
Without serial output
71xx series
https://hackaday.com/2017/01/31/get-to-know-3%C2%BD-digit-adcs-with-the-icl71xx/
- 7106
– 3½ digit, 7 segment LCD
- 7107
– 3½ digit, 7 segment LED
- 7116
– 3½ digit, 7 segment LCD, with display HOLD (freeze)
- 7117
– 3½ digit, 7 segment LED, with display HOLD (freeze)
- 7126
– improved 7106
- 7136
– improved 7126
- 7135
– 4½ digit, 7 segment LCD
mysterious epoxy blob, usually without serial output, often 7106
- Aneng AN8008 [src]
- Extech MN16A
- Innova 3300
- UT10A
- UT20B [src]
- UT33A
- UT33D
- UT120C [src: review, teardown, EEVblog]
- UT601
- UT603
- VA18B (has serial output) (USB) (100-pin chip, xtal at 61,62 - maybe FS9721?)
- ZOYI VC17B+ (pads for square chip) [ref]
- Fluke 17B+ (pads for rectangular chip) [ref]
- Xiole XL830L - 11x12 rectangular 46-pin something [ref] [ref], very cheap
7106
7129
(7106-like, with one more digit)
TC7129
datasheet
Microchip TC7129; PQFP44 (TC7129CLW), MQFP44 (TC7129CKW), PDIP40 (TC7129CPL); 4.5 digit ADC with on-chip LCD drivers
CS7721
see FS9721
ES5106E
(7106-like)
FS9711-LP1
Essentially identical to FS9721-LP1.
A variant of FS9721-LP3, with the UART pins unused.
FS9721-LP1
A variant of FS9721-LP3, with the UART pins unused.
datasheet
- probably BSide ACM03 Plus clamp meter [src]
- Uni-T UT204 clamp meter [src: review, teardown, EEVblog]
- VC921 (older, non-trueRMS) (MAYBE has -LP3?)
- Victor VC81CD
- Victor VC81D
- ==== CS7721 ====
- Mastech MS8216
FS9952
- Bside ADM-02
- CEM DT-914
- Hayes DT-914
- RS Pro RS14 [src]
- Mastech MS8221C (schematics)
- Mastech MS8233D
KAD0501
KAD7001CQ:
NJU9207
datasheet
SMC62MIF
Unknown serial-out presence
Without serial output
mysterious epoxy blob, usually without serial output, often 7106
- DT830L
- Extech MN16A
- Innova 3300
- UT10A
- UT20B [src]
- UT33A
- UT33D
- UT120C [src: review, teardown, EEVblog]
- UT601
- UT603
- VA18B (has serial output) (USB) (100-pin chip, xtal at 61,62 - maybe FS9721?)
- Voltcraft VC140 [ref]
7106
Various schematics here
7108
7124
7126
- ==== CIC806E ====
- Monacor DMT-4500 [ref]
7129
(7106-like, with one more digit)
7136
- MIC-7S [ref]
- TEL DM1000B [ref]
- ==== CIC5136 ====
- DMT7000 [ref]
7149
CS7721
see FS9721
ES5106E
(7106-like)
FS9711-LP1
Essentially identical to FS9721-LP1.
A variant of FS9721-LP3, with the UART pins unused.
FS9721-LP1
A variant of FS9721-LP3, with the UART pins unused.
datasheet
- probably BSide ACM03 Plus clamp meter [src]
- Uni-T UT204 clamp meter [src: review, teardown, EEVblog]
- VC921 (older, non-trueRMS) (MAYBE has -LP3?)
- Victor VC81CD
- Victor VC81D
- ==== CS7721 ====
- Mastech MS8216
M5230
M6266
- Soar 4055 [ref]
- Soar 4050B [ref]
M6306
- Hewlett Packard E2378A [ref]
- Yokogawa 7534-03
- Soar 3255
By brand
UT
- UT10A: mysterious blob (7106?)
- UT20B: mysterious blob (7106?)
- UT33A: mysterious blob (7106?)
- UT33C: 7106
- UT33D: mysterious blob (7106?)
- UT39A: 7106
- UT50C:
- UT54: 7106
- UT56: 7921
- UT58C:
- UT58D:
- UT58E:
- UT60A, UT60B, UT60C, UT60E: FS9721-LP3
- UT60G: ES51986A
- UT61A: FS9922-DMM3
- UT61B: FS9922-DMM3
- UT61C: FS9922-DMM4
- UT61D: FS9922-DMM4
- UT61E: ES51922
- UT70A: SH7108
- UT70B: ES51962
- UT70C: UP01+FS970X
- UT70D:
- UT71A, UT71C, UT71D: ES51966P
- UT71B:
- UT71C, UT71E: ES51966F
- UT90C: FS9721-LP3
- UT105:
- UT107:
- UT108:
- UT109:
- UT120C: mysterious blob
- UT131A:
- UT131B:
- UT131C:
- UT131D:
- UT139A:
- UT139B:
- UT139C: DTM0660L
- UT139E:
- UT139S:
- UT171A: HY3131 (?)
- UT181A: ES51997 (with STM32F103ZET6)
- UT195DS:
- UT195E:
- UT195M:
- UT202:
- UT203:
- UT204: FS9721-LP1
- UT208:
- UT210E,older: DTM0660L
- UT210E,newer: DM1106EN
- UT211B:
- UT216A:
- UT216B:
- UT216C:
- UT216D:
- UT219E:
- UT531:
- UT532:
- UT533:
- UT601: mysterious blob (7106?)
- UT603: mysterious blob (7106?)
- UT612:
Mastech
- MAS345: Mastech M343-01
- MS2108A: FS9922-DMM3
- MS2109A: FS9922-DMM4
- MS8216: CS7721
- MS8221C: FS9952
- MS8229: FS9721-LP3
- MS8233D: FS9952
- MS8240D: ES51922
- MS8250B: FS9721-LP3
- MS8250C: ES51968
- MS8260G: FS9922-DMM3
- MS8268: FS9721-LP3
- MS8340A: FS9922-DMM4
Table of chips and pins
For identification of potential candidates, where a mystery epoxy blob is hiding in the middle of a pin pattern
chip package/pins xtal txout txenable display-seg+com+bias
ES51922 QFP-128 38x26 106,107 123 111 31+4+1
FS9721-LP3 QFP-100 30x20 61,62 64 84 14+4
FS9721-LP1 QFP-100 30x20 61,62 - - 14+4
FS9922-DMM3 QFP-100 30x20 86,87 92 94 (27+4+1 ? )
FS9922-DMM4 QFP-100 30x20 86,87 92 94 32+4+1
ES51962 QFP-100 30x20 79,80 94 45 26+4+1
ES51978 QFP-100 30x20 79,80 94 45 26+4+1
NJU9207B QFP-80 24x16 49,50 - - 10+4+1
ES51966 QFP-64 16x16 50,51 54/55 not-uart n/a
DSM0660 LQFP-64 16x16 15,16 20 EEPROM 14+4+1
SH7108 QFP-48 12x12 5,6(4=RC) 36/37 not-uart 11+3
7106 QFP-44 11x11 6,7(4=RC) - - 23+1
7106 DIP-40 40x2 40,39(38=rc) - - 23+1
7107 is like 7106 but for driving LED display instead of LCD
also ICL7106, CS7106, ICL7107, UM7108 - many many clones
7106 drives LCD directly, 7108 uses multiplexing
also something 11x12, rectangular
Protective circuit notes
known-bad meters
fuses
- glass-tube fuses are suspect
- fuses with voltage rating lower than the meter input are very suspect ("China Export" CE mark)
- https://electronics.stackexchange.com/questions/86401/why-arent-high-current-ammeters-protected-with-a-fuse
- HRC fuses (High Rupture Capacity) fuses are often used in better systems
- slower than fast-acting glass fuses, but able to withstand kiloamps of current without exploding; some meters have dual fuses, fast one and HRC one in series
- high voltage spike on high-current supply can ignite the arc within the meter, then the current sustains it
- https://www.electricaltechnology.org/2014/12/hrc-fuse-high-rupturing-capacity-fuse-types.html
- capable of interrupting very high currents safely, without releasing the arc from the inside and exploding
- https://www.eevblog.com/forum/chat/hrc-fuses-2128/
- "In general semiconductors and PCB tracks are an excellent means of protecting standard rated fuses in electronic devices.
A HRC fuse is designed to interrupt current flow in as few cycles as possible. HRC applies as much to the ability to respond quickly as it does to the ability to ensure high fault current flow can be broken. Cheap meters use the audible THARWARPPP!!! indication of this error and are reset by substituting a replacement meter with its smoke still intact."
- "In general the HRC cartridges are designed with a slightly smaller diameter. So in short you should be able to replace a standard cartridge fuse
with a HRC one, (I did say should, not all clips are equal) but you should not be able to fit a cartridge fuse into a holder intended for a HRC fuse. (Application of sufficient force can disprove that theory too, usually with poor end results)"
voltage clamping with transistors
- Transistors are often used like Zener diodes, using base-emitter reverse breakdown. [ref]
- the juction has low capacitance and VERY low reverse leakage
- operates at avalanche breakdown, not damaging the transistor if current-limited
- often used back-to-back, where one B-E is a Zener and other is a forward-polarized diode, for bidirectional voltage clamp
- breakdown voltage usually 6-10 volts
- nanosecond response time (zeners are VERY slow)
- much sharper characteristics than zener, negligible leakage before just until breakdown
voltage clamping with forward-biased diodes
- several diodes used in series, for bidirectional clamp a diode bridge can be used with the always-positively-biased diode string between bridge +/- outputs
- slow diodes can be used (fast/slow refers to reverse recovery, not important here)
LCR meter protection
Useful links
| If you have any comments or questions about the topic, please let me know here: |